欢迎来到涟源爱沫私人电影院企业官网!
服务热线+86 18926877406
PTF77绿色电流保险丝座(外角)
发布时间:2025-07-15    浏览次数:86 次
  • 产品详情

 产品基本信息:


  • 名称:PTF77绿色电流保险丝座(外角)

  • 额定电流:6.3A /10A

  • 额定电压:250V 

  • 工作电流:6.3A /10A

  • 外壳材质:尼龙

  • 端子材质:铜镀锡

  • 工作温度范围:-40°C~125°C

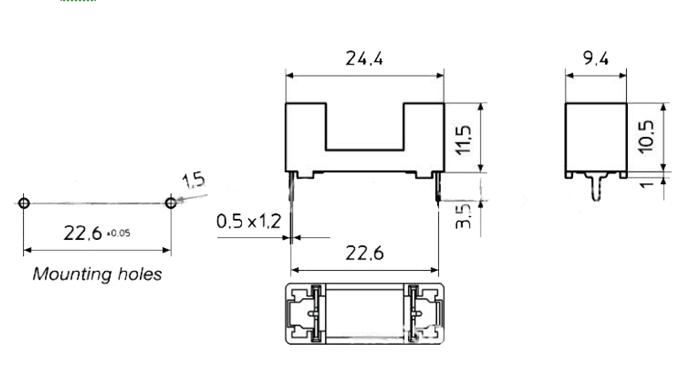
  • 端子脚距:22.6mm

  • 配套保险丝:5*20玻璃管、5*20陶瓷管



 产品特点: 




 

 

 产品图片




产品尺寸





Copyright © 涟源爱沫私人电影院 All Rights Reserved.
技术支持:东莞网站建设